Автомобильные аккумуляторы обеспечивают надежную работу транспортных средств, а их зарядка — важный процесс, который можно выполнить самостоятельно. В этой статье мы расскажем, как сделать зарядное устройство для автомобильного аккумулятора своими руками. Это не только сэкономит средства, но и даст полезные навыки в электронике. Мы представим простую схему зарядного устройства, доступную даже новичкам, что поможет поддерживать аккумулятор в рабочем состоянии и избежать неприятностей на дороге.
Конструкция и принцип работы зарядного устройства
Для зарядки аккумуляторов используются специальные зарядные устройства. Эти устройства работают от сети с напряжением 220 В. По сути, зарядное устройство представляет собой преобразователь электрической энергии.
Оно принимает переменный ток от сети 220 В, снижает его и преобразует в постоянный ток с напряжением до 14 В, что соответствует выходному напряжению самого аккумулятора.
В настоящее время существует множество различных зарядных устройств – от простейших моделей до более сложных с множеством дополнительных функций.
Также доступны зарядные устройства, которые, помимо зарядки аккумулятора, установленного в автомобиле, могут запускать двигатель. Такие устройства называются зарядно-пусковыми.
Существуют и автономные зарядно-пусковые устройства, которые способны заряжать аккумулятор или запускать двигатель без подключения к сети 220 В. Внутри таких приборов, помимо оборудования для преобразования электрической энергии, имеется собственный аккумулятор, что делает их автономными. Однако батарея устройства также нуждается в зарядке после использования.
Эксперты в области электроники подчеркивают, что создание зарядного устройства для аккумулятора требует тщательного подхода и знаний в области электротехники. Прежде всего, важно определить тип аккумулятора, так как разные модели требуют различных параметров зарядки. Специалисты рекомендуют использовать качественные компоненты, такие как стабилизаторы напряжения и защитные схемы, чтобы избежать перегрева и повреждения аккумулятора. Также необходимо учитывать ток зарядки: он должен быть оптимальным для конкретной модели, чтобы продлить срок службы аккумулятора. Кроме того, эксперты советуют предусмотреть индикаторы состояния зарядки, что позволит пользователю контролировать процесс и избежать перезарядки. В итоге, создание собственного зарядного устройства может стать не только полезным навыком, но и увлекательным проектом для тех, кто интересуется электроникой.
Видео: Как сделать простейшее зарядное устройство
Что касается обычных зарядных устройств, то простейшее из них состоит всего из нескольких элементов. Основным элементом у такого устройства является понижающий трансформатор. В нем производится понижение напряжение с 220 В до 13,8 В, которые являются самыми оптимальными для зарядки АКБ. Однако трансформатор только понижает напряжение, а вот преобразование его с переменного тока на постоянный выполняется другим элементом устройства – диодным мостом, который производит выпрямление тока и разделение его на положительный и отрицательный полюса.
За диодным мостом обычно в схему включен амперметр, который показывает силу тока. В простейшем устройстве используется стрелочный амперметр. В более дорогих приборах, он может быть цифровым, также помимо амперметра может быть встроен и вольтметр. В некоторых зарядных устройствах существует возможность выбора напряжения, к примеру, им можно заряжать как 12-вольтовые АКБ, так и 6-вольтовые.
От диодного моста выходят провода с «плюсовой» и «минусовой» клеммами, которыми и производится подключение прибора к аккумулятору.
Все это заключено в корпус, из которого выходит провод с вилкой для подключения к сети, и провода с клеммами. Чтобы обезопасить всю схему от возможного повреждения, в нее включен плавкий предохранитель.
В целом, это и вся схема простого зарядного устройства. Выполнить им зарядку аккумулятора сравнительно просто. К разряженной батарее подключаются клеммы прибора, при этом важно не перепутать полюса. Затем прибор подключается к сети.
В самом начале зарядки прибор будет подавать напряжение с силой тока в 6-8 ампер, но по мере зарядки, сила тока будет уменьшаться. Все это будет отображаться на амперметре. Если батарея полностью зарядится, то стрелка амперметра опустится до нуля. Это и есть весь процесс зарядки аккумулятора.
Простота схемы зарядного устройства обеспечивает возможность самостоятельного его изготовления.

| Компонент | Назначение | Примечания |
|---|---|---|
| Трансформатор | Понижение напряжения сети до необходимого уровня | Выбирается исходя из напряжения и тока зарядки аккумулятора |
| Диодный мост | Преобразование переменного тока в постоянный | Обеспечивает однонаправленный ток для зарядки |
| Конденсатор | Сглаживание пульсаций постоянного тока | Улучшает качество зарядного тока, уменьшает шум |
| Регулятор напряжения | Поддержание стабильного выходного напряжения | Защищает аккумулятор от перезаряда, обеспечивает оптимальный режим зарядки |
| Резистор | Ограничение тока зарядки | Защищает аккумулятор и компоненты схемы от перегрузки |
| Амперметр | Измерение тока зарядки | Позволяет контролировать процесс зарядки |
| Вольтметр | Измерение напряжения на аккумуляторе | Позволяет контролировать процесс зарядки |
| Корпус | Защита компонентов и безопасность использования | Должен быть прочным и обеспечивать хорошую вентиляцию |
| Провода и клеммы | Подключение компонентов и аккумулятора | Должны быть соответствующего сечения для безопасной работы |
| Предохранитель | Защита от короткого замыкания и перегрузки | Обязательный элемент для безопасности |
Интересные факты
Вот несколько интересных фактов о создании зарядного устройства для аккумулятора:
-
Принцип работы: Зарядные устройства для аккумуляторов работают на основе принципа преобразования переменного тока (AC) в постоянный (DC). Это достигается с помощью выпрямителей и фильтров, которые сглаживают выходное напряжение, чтобы обеспечить стабильную зарядку аккумулятора.
-
Умные зарядные устройства: Современные зарядные устройства могут быть оснащены микроконтроллерами, которые отслеживают состояние аккумулятора и регулируют процесс зарядки. Это позволяет избежать перезарядки и продлить срок службы аккумулятора, автоматически переключаясь на режим поддерживающей зарядки, когда аккумулятор достигает полного заряда.
-
Использование солнечной энергии: Существует возможность создания зарядного устройства для аккумуляторов на основе солнечных панелей. Такие устройства могут быть полезны в условиях, где нет доступа к электрической сети, и они способствуют использованию возобновляемых источников энергии, что делает их экологически чистыми и экономически выгодными.
Самостоятельное изготовление автомобильного зарядного устройства
Теперь давайте рассмотрим самые простые зарядные устройства, которые можно создать самостоятельно. Первым в нашем списке будет устройство, принципиальная схема которого очень схожа с ранее описанным.
Для сборки самодельного зарядного устройства вам понадобится понижающий трансформатор ТС-180-2. Такие трансформаторы применялись в старых ламповых телевизорах. Их отличительной чертой является наличие двух первичных и двух вторичных обмоток. Каждая из вторичных обмоток выдает на выходе 6,4 В и 4,7 А. Чтобы получить необходимые для зарядки аккумулятора 12,8 В, которые способен обеспечить этот трансформатор, необходимо соединить вторичные обмотки последовательно. Для этого потребуется короткий провод с сечением не менее 2,5 мм², который будет использоваться для соединения не только вторичных, но и первичных обмоток.
Видео: Самое простое зарядное устройство для АКБ
Далее потребуется наличие диодного моста. Для его создания берутся 4 диода, рассчитанных на силу тока не менее 10 А. Эти диоды можно закрепить на текстолитовой пластине, а затем произвести правильное их соединение. К выходным диодам подсоединяются провода, которые устройство и будет подключаться к АКБ. На этом сборку прибора можно считать завершенной.
Теперь о правильности процесса зарядки. При подключении устройства к аккумулятору, нельзя перепутывать полярность, иначе можно вывести из строя и батарею, и прибор.
При подключении к АКБ, устройство должно быть полностью обесточено. Включать его в сеть можно только после подсоединения к батарее. Отключать от батареи его тоже следует после отключения от сети.
Не рекомендуется проверять работоспособность устройства путем обычного короткого замыкания, когда соединяют плюсовую минусовую клеммы, это может повредить зарядное устройство.
Сильно разряженную батарею нельзя подключать к прибору без средства, понижающего напряжение и силу тока, иначе прибор на АКБ будет подавать ток высокой силы, который может навредить батарее. В качестве понижающего средства может выступать обычная 12-вольтовая лампа, которая подсоединяется к выводным клеммам перед АКБ. Лампа при работе устройства будет гореть, тем самым частично забирая на себя напряжение и ток. Со временем, после частичной зарядки батареи, лампу из цепи можно исключить.
При зарядке периодически нужно проверять степень зарядки батареи, для чего можно воспользоваться мультиметром, вольтметром или нагрузочной вилкой.
Полностью заряженная батарея при проверке на ней напряжения должна показывать не менее 12,8 В, если значение ниже – требуется дальнейшая зарядка, для доведения этого показателя до нужного уровня.

Видео: Зарядное устройство для автомобильного аккумулятора своими руками
Учитывая, что данная схема не оснащена защитным корпусом, не рекомендуется оставлять устройство без контроля во время его работы.
Хотя этот прибор не выдает идеальные 13,8 В на выходе, он вполне подходит для подзарядки аккумулятора. Тем не менее, спустя примерно два года эксплуатации батареи, вам все же потребуется использовать заводское зарядное устройство, которое обеспечит все необходимые параметры для качественной зарядки.

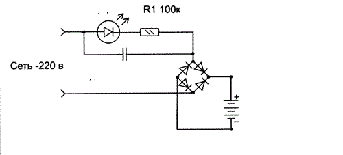
Бестрансформаторное зарядное устройство
Интересной по конструкции является схема самодельного устройства, которое не имеет трансформатора. Его роль в данном устройстве выполняет набор конденсаторов, рассчитанных на напряжение в 250 В. Таких конденсаторов должно быть не менее 4. Сами конденсаторы подключаются параллельно.
К набору конденсаторов параллельно подключается резистор, предназначенный для гашения остаточного напряжения после отключения прибора от сети.
Далее потребуется диодный мост для работы с допустимым током не менее 6 А. Он подключается в схему после набора конденсаторов. А далее уже к нему подсоединяются провода, которыми устройство будет подключаться к АКБ.
Безопасность при работе с зарядными устройствами
Работа с зарядными устройствами требует особого внимания к безопасности, так как неправильное использование может привести к повреждению аккумуляторов, а в некоторых случаях и к серьезным травмам. Прежде всего, необходимо помнить о том, что аккумуляторы могут хранить значительное количество энергии, и при неправильной эксплуатации это может привести к короткому замыканию, перегреву или даже взрыву.
Перед началом работы с зарядным устройством убедитесь, что у вас есть все необходимые инструменты и материалы, а также что вы находитесь в хорошо проветриваемом помещении. Избегайте работы с зарядными устройствами вблизи открытого огня или источников высокой температуры.
При подключении аккумулятора к зарядному устройству всегда следите за полярностью. Неправильное подключение может привести к повреждению как аккумулятора, так и самого зарядного устройства. Обычно на аккумуляторах и зарядных устройствах имеются обозначения “+” и “-“, которые помогут вам правильно подключить провода.
Также важно использовать зарядное устройство, соответствующее типу и емкости вашего аккумулятора. Например, для свинцово-кислотных аккумуляторов необходимо использовать зарядное устройство, предназначенное именно для этого типа, так как другие устройства могут не обеспечивать необходимый режим зарядки.
Не оставляйте аккумуляторы без присмотра во время зарядки. Регулярно проверяйте их состояние: температура, наличие запаха или вздутия. Если вы заметили какие-либо аномалии, немедленно отключите зарядное устройство и проверьте аккумулятор на наличие повреждений.
При работе с литий-ионными аккумуляторами следует быть особенно осторожными, так как они могут перегреваться и воспламеняться. Используйте только те зарядные устройства, которые имеют встроенные системы защиты от перегрева и короткого замыкания.
Наконец, всегда храните аккумуляторы и зарядные устройства в недоступном для детей месте. Обучите всех членов семьи правилам безопасности при работе с электрическими устройствами, чтобы предотвратить несчастные случаи.
Вопрос-ответ
Как выбрать подходящий трансформатор для зарядного устройства?
При выборе трансформатора для зарядного устройства важно учитывать его выходное напряжение и ток. Для большинства аккумуляторов, таких как свинцово-кислотные или литий-ионные, выходное напряжение трансформатора должно быть немного выше, чем номинальное напряжение аккумулятора. Например, для 12-вольтового аккумулятора подойдет трансформатор с выходом 15-18 В. Также убедитесь, что ток трансформатора соответствует требованиям вашего аккумулятора, чтобы избежать перегрева и повреждения.
Как правильно подключить диоды в схеме зарядного устройства?
Диоды в схеме зарядного устройства необходимо подключать в прямом направлении, чтобы обеспечить правильный поток тока. Обычно используется два диода для создания мостовой схемы, что позволяет преобразовать переменный ток в постоянный. Убедитесь, что диоды имеют достаточную мощность и обратное напряжение, чтобы справляться с нагрузкой, иначе они могут перегореть.
Какой контроллер лучше использовать для защиты аккумулятора при зарядке?
Для защиты аккумулятора при зарядке рекомендуется использовать контроллер заряда, который поддерживает функции, такие как автоматическое отключение при полном заряде, защита от перезаряда и перегрева. Популярные решения включают контроллеры на базе микроконтроллеров, такие как Arduino или специализированные чипы, например, TP4056 для литий-ионных аккумуляторов. Эти контроллеры обеспечивают надежную защиту и продлевают срок службы аккумулятора.
Советы
СОВЕТ №1
Перед началом сборки зарядного устройства убедитесь, что у вас есть все необходимые компоненты: трансформатор, диодный мост, конденсатор и регулятор напряжения. Это поможет избежать лишних перерывов в процессе работы и ускорит сборку.
СОВЕТ №2
Обязательно ознакомьтесь с характеристиками вашего аккумулятора, чтобы правильно настроить выходное напряжение и ток зарядки. Это поможет избежать повреждения аккумулятора и продлит его срок службы.
СОВЕТ №3
При работе с электрическими компонентами соблюдайте меры безопасности: используйте изолированные инструменты, работайте в сухом месте и избегайте контакта с водой. Это поможет предотвратить короткие замыкания и другие опасные ситуации.
СОВЕТ №4
После завершения сборки протестируйте устройство на ненагруженном аккумуляторе, чтобы убедиться в правильности работы. Это позволит выявить возможные ошибки и внести коррективы до использования устройства на основном аккумуляторе.
Работа с зарядными устройствами требует особого внимания к безопасности, так как неправильное использование может привести к повреждению аккумуляторов, а в некоторых случаях и к серьезным травмам. Прежде всего, необходимо помнить о том, что аккумуляторы могут хранить значительное количество энергии, и при неправильной эксплуатации это может привести к короткому замыканию, перегреву или даже взрыву.
Перед началом работы с зарядным устройством убедитесь, что у вас есть все необходимые инструменты и материалы, а также что вы находитесь в хорошо проветриваемом помещении. Избегайте работы с зарядными устройствами вблизи открытого огня или источников высокой температуры.
При подключении аккумулятора к зарядному устройству всегда следите за полярностью. Неправильное подключение может привести к повреждению как аккумулятора, так и самого зарядного устройства. Обычно на аккумуляторах и зарядных устройствах имеются обозначения “+” и “-“, которые помогут вам правильно подключить провода.
Также важно использовать зарядное устройство, соответствующее типу и емкости вашего аккумулятора. Например, для свинцово-кислотных аккумуляторов необходимо использовать зарядное устройство, предназначенное именно для этого типа, так как другие устройства могут не обеспечивать необходимый режим зарядки.
Не оставляйте аккумуляторы без присмотра во время зарядки. Регулярно проверяйте их состояние: температура, наличие запаха или вздутия. Если вы заметили какие-либо аномалии, немедленно отключите зарядное устройство и проверьте аккумулятор на наличие повреждений.
При работе с литий-ионными аккумуляторами следует быть особенно осторожными, так как они могут перегреваться и воспламеняться. Используйте только те зарядные устройства, которые имеют встроенные системы защиты от перегрева и короткого замыкания.
Наконец, всегда храните аккумуляторы и зарядные устройства в недоступном для детей месте. Обучите всех членов семьи правилам безопасности при работе с электрическими устройствами, чтобы предотвратить несчастные случаи.


